中国电工技术学会团体标准T/CES 127-2022《基于整体设计的12kV智能配电柱上开关技术要求》由中国电工技术学会标准工作委员会配电开关设备智能化工作组归口,由南瑞集团、南京渡易能源技术咨询有限公司牵头编制完成。该标准规范了整体设计的12kV智能配电柱上开关的术语、设计规范、总体要求、试验方法等要求,填补了整体设计的12kV智能配电柱上开关领域标准的空白。以保证整体设计的12kV智能配电柱上开关的产品质量,以及使用时的安全有效。
1. 标准起草单位及主要起草人
起草单位:南瑞集团有限公司、许继集团有限公司、南京渡易能源技术咨询有限公司、珠海许继电气有限公司、中国电力科学研究院武汉分院、北京科锐配电自动化股份有限公司、浙江华采科技有限公司、科大智能电气技术有限公司、南京海兴电网技术有限公司、上海宏力达信息技术股份有限公司、西安兴汇电力科技有限公司、珠海博威智能电气有限公司、江苏宏达电气有限公司、易源士创信息科技(南京)有限公司、南京钛能科技股份有限公司、北京同时开关技术有限公司、无锡凯帕德瑞科技有限公司、红光电气集团有限公司、乐清长三角电气工程师创新中心等。
主要起草人:易平、孙建东、张文凯、詹植振、辛晓东、叶祖标、赵连强、李辉、韩超、张金春、甘兴林、高少军、王少晓、束明亮、杨小莲、马益站、黄振山、王笋、盛琦、林瑶、王旭晖等。
2. 标准编制背景
随着智能电网的深入开展和新型电力系统的构建,将有大量分布式能源/储能接入配电网,对双向潮流和含电源点的故障处理等功能提出了急切的要求,因而需要配电开关设备更加可靠,更加智能。现阶段一二次融合柱上开关大都采用分体式设计,一次开关和二次控制器通过电缆连接,设备整体性和性能兼容有待提高。为了适应新的需求,部分厂家开发了整体设计的智能配电柱上开关,因其一体化、通用化、智能化、一二次设备匹配兼容度高,同时解决了成套设备间绝缘配合、电磁干扰、精度匹配等问题,已经在中压配电网架空线路中得到应用。
3. 标准主要内容
从内容上来看,该标准主要包含以下几个部分:
(1)适用范围。
本文件规定了基于整体设计的12kV智能配电柱上开关的使用条件、结构要求、性能要求、功能要求、通信要求、试验项目及方法。
本文件适用于基于整体设计的12kV智能配电柱上开关,整体设计的特征在于集成并封装了各组成部件和接口,以整机形式呈现功能和性能的柱上开关。
(2)总体要求。
主要包括整体设计的12kV智能配电柱上开关的总体要求。
(3)配置要求。
主要包括12kV智能配电柱上开关根据不同应用场景,可进行不同的配置及要求。
(4)功能要求。
主要包括终端基本功能要求,包括遥信防抖功能、遥信防误报功能、故障处理功能、控制出口软压板功能、具备电压越限(过压、低压)、负荷越限(重载、过载)等。
(5)试验、调试和验收。
主要包括智能柱上开关设备整体调试要求:各组件的功能调试、性能测试及信息交互测试,智能柱上开关设备的整体调试,检测配置的各项智能化功能。
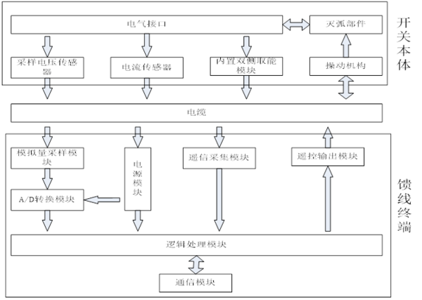
(6)附录A。
主要包括整体设计的12kV智能配电柱上开关框图,如下所示。

整体设计的12KV智能配电柱上开关框图
(7)附录B。
主要包括后备电源技术参数及标准充电与放电曲线,如下所示。
后备电源技术参数表
|
信息名称 |
技术要求 |
备注 |
|
产品类别 |
复合型电容电池 |
|
|
温度区间 |
-40℃~+85℃ |
|
|
产品结构 |
全密封结构 |
|
|
使用寿命 |
≥10年 |
|
|
低温充电特性 |
-40℃充满电时间为10~50min |
|
|
低温放电特性 |
-40℃,输出时间≥1min |
上限电压时,电流不低于5倍容量值。 |
|
低温放电特性 |
-40℃,输出时间≥1sec |
上限电压时,电流不低于9倍容量值。 |
|
高温特性 |
70℃,放电容量保持率≥90% |
上限电压时,贮存24H后。 |

在25±3℃下标准充电与放电曲线图

在-40±3℃下500W恒功率输出曲线图
4. 标准制定效益
该标准规范了整体设计的12kV智能配电柱上开关技术要求,该标准效益主要体现在:
(1)填补标准空白。该标准填补了整体设计的12kV智能配电柱上开关领域标准的空白,对整体设计的12kV智能配电柱上开关做出规范性要求,解决了整体设计的12kV智能配电柱上开关无统一规范标准的问题。本标准实施后,使整体设计的12kV智能配电柱上开关的应用统一化、规范化,有助于整体设计的12kV智能配电柱上开关的规范化发展。
(2)推动行业发展。当前变配电行业正在向信息化、智能化、网络化和集成化方向发展,变配电系统结构也呈现出越来越复杂的特点。多元化的智能柱上开关方案需要更多的一、二次厂家联合起来,共同研究、探讨,将大幅度提高我国配电设备的技术水平和运行水平,同时,还有利于推动和规范我国配电装备市场的优胜劣汰、良性竞争和健康发展。
(3)助力新型电力系统建设。构建以新能源为主体的新型电力系统,对配电网性能提出更高要求,为确保电力系统安全稳定运行,智能配电设备将更多应用于配电网自动化系统中,规范智能配电设备技术标准有助于新型电力系统建设。